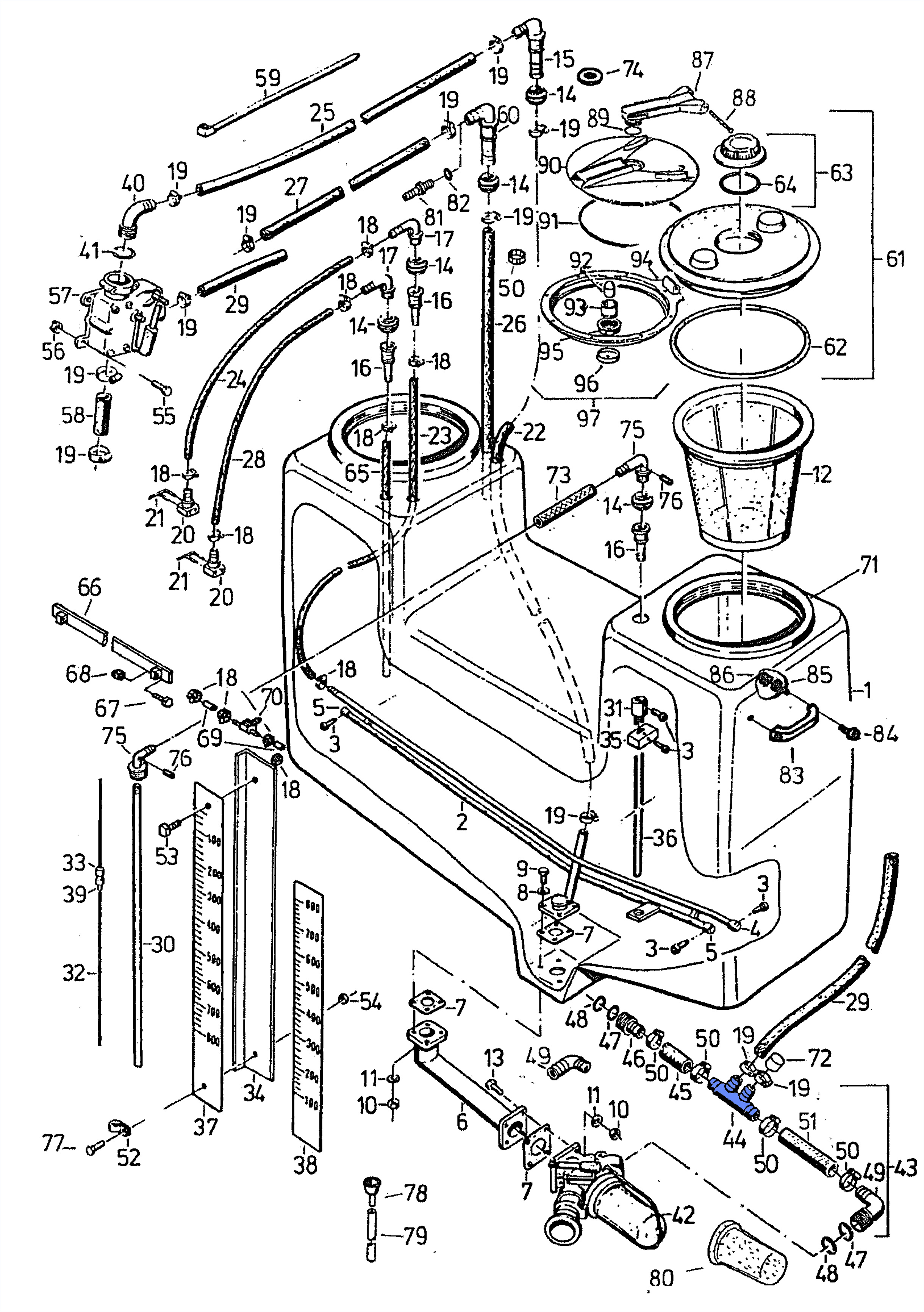
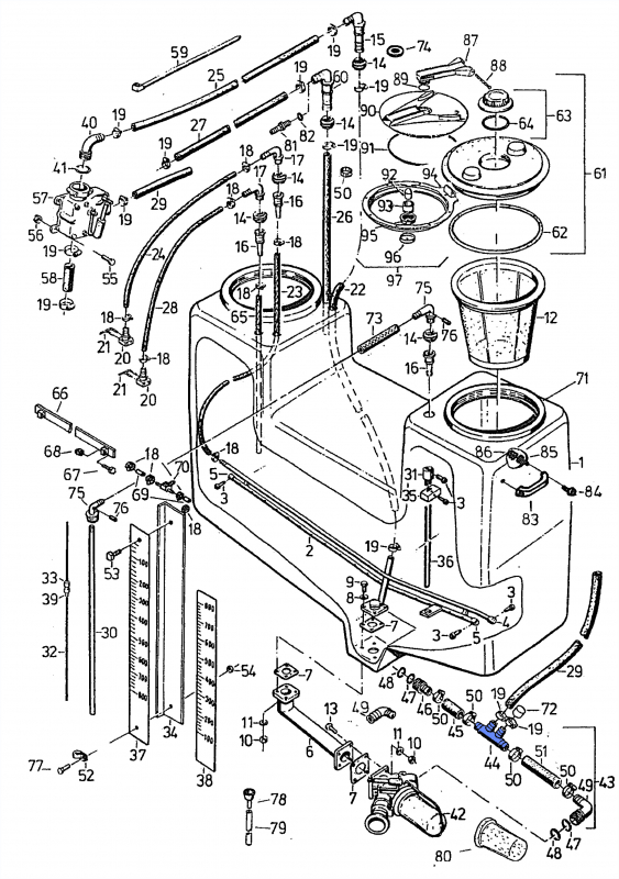
Rau double connection 1½" 40225
Rau double connection 1½" 40225 for basic unit Spridomat D2

Rau double connection 1½" 40225 for basic unit Spridomat D2

Product No.:
RA40225NT
Shipping time:
if in stock 5-8 days if in stock 5-8 days (abroad may vary)
Weight:
0.15 kg per piece
25,24 EUR

incl. 19% tax excl. Shipping costs