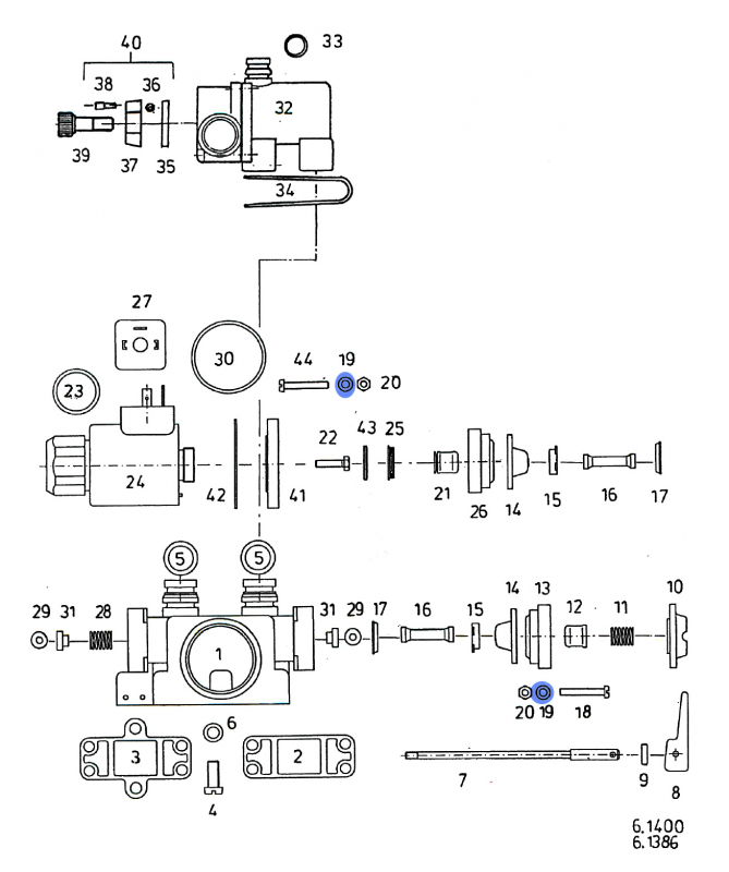
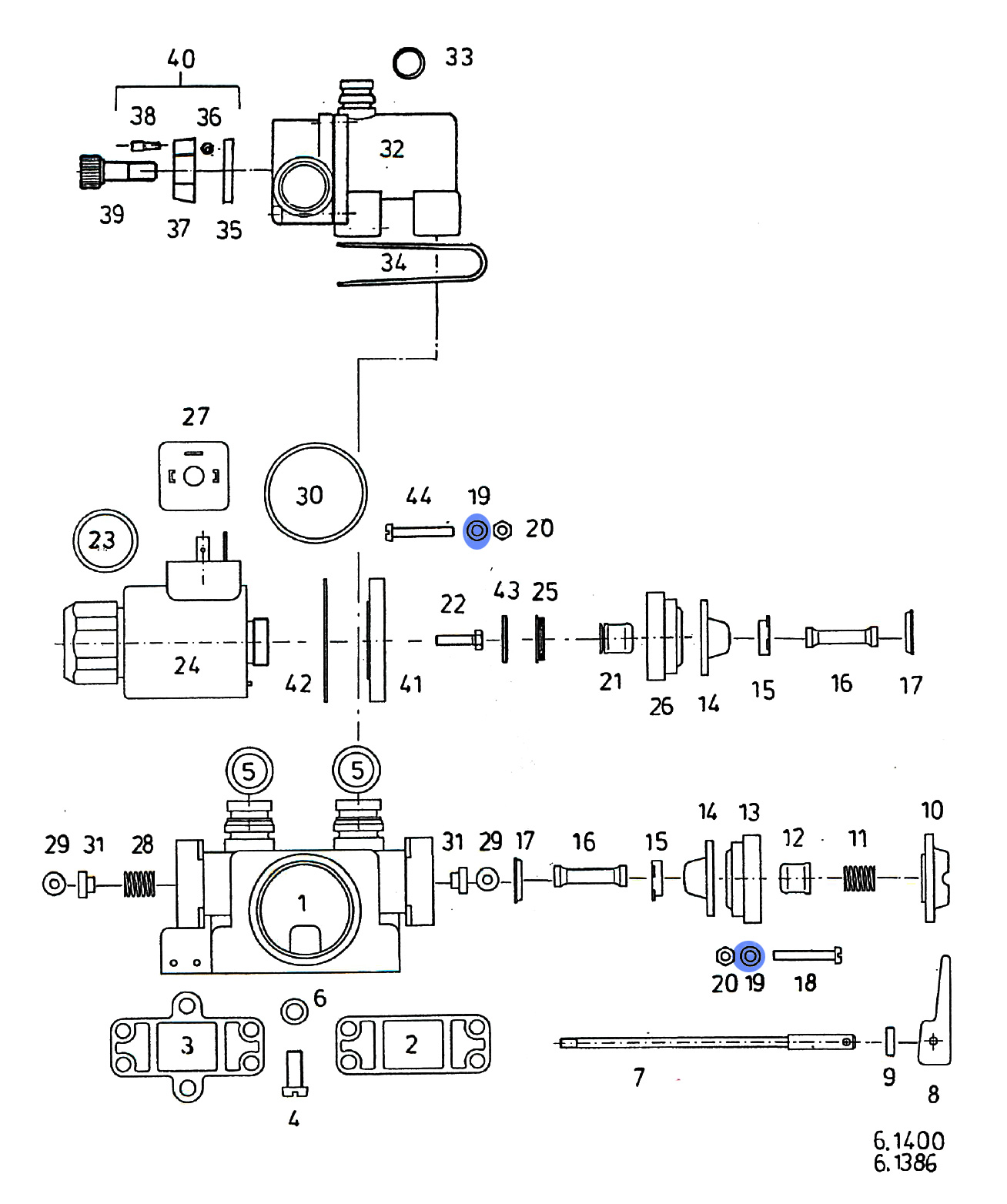
Rau disc spring RG00031347
Rau disc spring RG00031347 – No. 19 spare part list
Preview: Rau disc spring RG00031347
Preview: Rau disc spring RG00031347 – No. 19 spare part list
Rau Disc Spring RG00031347
Mobile Preview: Rau disc spring RG00031347
Mobile Preview: Rau disc spring RG00031347 – No. 19 spare part list

Rau Disc Spring RG00031347

Product No.:
RA31347
Shipping time:
if in stock 5-8 days if in stock 5-8 days (abroad may vary)
Weight:
0.05 kg per piece
1,56 EUR

incl. 19% tax excl. Shipping costs